
loRa壓力變送器(高溫型)
壓力范圍:-0.1-60MPa量程范圍 分多種量程
無線網絡 433Mhz LoRa 自組網
溫度:-30~80度(-40度需要額外定制)
濕度范圍 0-95%,非冷凝
穩定性 <0.1%/年
精度 0.5%
LoRa無線自組網絡簡介:
LoRa 是 LPWAN(低功耗廣域網 Low Power Wide Area Nerwork)通信技術中的一種,
是美國 Semtech 公司采用和推廣的一種基于擴頻技術的超遠距離無線傳輸方案,LoRa 融合
了數字擴頻、數字信號處理和前向糾錯編碼技術,擁有前所未有的性能,設計人員便可做到
遠距離和低功耗兩者均兼顧,最大程度地實現更長距離和更低功耗的數據通信,使得嵌入式
無線通信領域的局面發生了徹底的改變
LoRa的特性:
1. 傳輸距離:城鎮可達2-5 Km , 郊區可達15 Km 。
2. 工作頻率:ISM 頻段 包括433、868、915 MH等。
3. 標準:IEEE 802.15.4g。
4. 調制方式:基于擴頻技術,線性調制擴頻(CSS)的一個變種,具有前向糾錯(FEC)能力,semtech公司私有專利技術。
5. 容量:一個LoRa網關可以連接上千上萬個LoRa節點。
6. 電池壽命:長達10年。
7. 安全:AES128加密。
8. 傳輸速率:幾百到幾十Kbps,速率越低傳輸距離越長,這很像一個人挑東西,挑的多走不太遠,少了可以走遠。
loRa壓力變送器的簡介:
loRa無線壓力變送器是以 loRa自組網為核心,無線傳輸:壓力,溫度,液位,物位等參數,目前我公司有 loRa無線壓力變送器, loRa無線溫度變送器, loRa無線溫度壓力變送器,正在開發的成品有: loRa雷達液位計, loRa超聲波液位計, loRa浸水傳感器。 loRa無線壓力表通過大容量3.6V鋰電池供電,無線傳輸儀表數據,現場不用布線,真正做到即裝即用,后期維護方便。
loRa無線壓力變送器采用擴散硅芯體(特殊場合可用應變芯體替代),外殼采用防爆外殼,無線壓力變送器采用LCD顯示,可實時顯示當前管道壓力和環境溫度,采集環境溫度是為了對壓力進行補償,保證在寬溫度范圍內的壓力精度。
loRa壓力變送器是我司在成熟數字表上研發的無線壓力變送器,我司有十余年壓力生產經驗,在壓力精度和穩定性方面屬于國內領先地位,可根據客戶要求定制各類無線壓力產品,滿足現場差異化需求。
loRa壓力變送器的特點:
超低功耗技術,超短時間即可完成對壓力和溫度的采集(微秒級)
采用紅外校準技術,可對主參量進行校準(紅外手操器需要額外購買)
超大顯示屏(42*30)顯示更直觀
多種單位切換,使用更方便
自動零點穩定技術
支持隔爆定制
支持LORaWAN 協議定制
支持壓力采集和閥值采集報警
loRa壓力變送器參數:
壓力范圍:-0.1-60MPa量程范圍 分多種量程
無線網絡 433Mhz LoRa 自組網
溫度:-30~80度(-40度需要額外定制)
濕度范圍 0-95%,非冷凝
穩定性 <0.1%/年
精度 0.5%
電池參數(集成電池版本) DC3.6V/9ah 大容量鋰電池(ER26500)
通信平均電流100mA@3.6VDC
值守電流20uA@3.6VDC
天線:SMA 天線接口
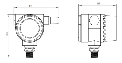
loRa壓力變送器產品外形:
loRa壓力變送器過程接口:
直連接口:
隔膜接口:(防腐高溫場合)
loRa壓力變送器組網:
注:我司提供儀表端和loRa網關及網關后485協議。為了更方便服務客戶,客戶采購多臺儀表時,我們在網關上分配地址,客戶只需要安裝即可。
可配置loRa和4GDTU將信號遠傳服務器方,若實現這個功能建議選購我司的NB-IOT無線壓力變送器。
地質監測儀表
活塞式壓力計/壓力源
- GM系列活塞式壓力計
- 臺式液體壓力源
- 臺式氣體壓力源
- 氣體活塞壓力計
- 活塞式壓力真空計
- YS改良型活塞壓力計
- 活塞式壓力計
- 電動微壓標準器
- 氣體減壓器校驗儀
- 氧氣表壓力表兩用校驗器
- 壓力表校驗器校驗儀
- 活塞壓力計數字顯示系統
- 空盒氣壓表檢定裝置
- 電動微壓源
- 全自動液體壓力源
- 管道試壓壓力天平
- 浮球壓力計
- 全自動活塞壓力計
- 便攜式液體壓力源
- 電動壓力源
液位儀表
- 80G超高溫雷達物位計
- 電廠專用四氟高頻雷達物位計
- 側裝磁翻板液位計
- 雷達水位計
- 26G油罐專用雷達液位計
- 26G強腐蝕雷達液位計
- 26G高頻雷達物位計
- 80G調頻雷達液位計
- 80G桿式射頻導納物位開關
- 液位顯示控制箱
- 投入式液位變送器
- 80G纜式射頻導納物位開關
- 桿式導波雷達
- 激光雷達料位計
- 連桿浮球液位計
- 靜壓式水準儀
- 河道浮子液位計
- 液位變送器
- 26G粉塵雷達物位計
- 26G高溫雷達物位計
密度計
- GJM-SHJ型石灰漿液在線密度計
- GJM-JJ型酒精在線密度計
- GJM-85管道密度計
- 差壓式密度計
- 分體式密度傳感器
- 濃度計
- 衛生型密度計
- 耐高溫音叉密度計
- 管道式音叉密度計
- 直管密度計
- 便捷式音叉密度計
- GJM-KG型(卡箍安裝形式)音叉式濃度計
- GJM-QFS氫氟酸專用濃度計
- GJM-YS鹽酸專用濃度計
- GJM-LS硫酸專用濃度計
- GJM-YS型鹽酸在線密度計
- GJM-KG型音叉式密度計(卡箍安裝形式)
- GJM-AS型氨水在線密度計
- GJM-XS硝酸專用濃度計
- GJM-NS型尿素濃度計
物聯網無線溫壓變送器
- Cat1無線溫度變送器
- loRa壓力變送器(高溫型)
- NB無線液位變送器
- NB無線溫度變送器
- NB無線壓力變送器
- 電解液無線變送器
- CAT1無線溫濕度變送器
- CAT1無線壓力變送器
- GNSS自動檢測站
- 無線雷達水位計
- 無線流量計
- 無線磁致伸縮液位計
- 無線浮球液位計
- 無線差壓變送器
- 無線溫壓變送器
- 油田專用壓力變送器
高精度壓力表
- 防爆數字壓力表
- 數字壓力控制器
- 計量級數字壓力表
- 精密數字壓力表
- 計量級精密壓力表
- 臺式數字壓力表
- 特殊精密壓力表
- 各類普通壓力表
- 智能數字壓力校驗儀
- 高精度大氣壓力計
- 氣密性測試儀
- 高精度壓力模塊
- 存儲型數字壓力表
流量儀表
- 智能一體式渦街流量計
- 溫壓補償一體化渦街流量計
- 插入式渦街流量計
- 智能氣體渦輪流量計
- MF4003/4008微小氣體流量流量計
- 智能一體式電磁流量計
- 羅茨流量計
- 圓齒輪流量計
- 智能氣體旋進旋渦流量計
- 一體式孔板流量計
- 液晶顯示金屬管轉子流量計
- 就地顯示金屬管轉子流量計
- MF5706/08/12氣體質量流量計
- 手持式超聲波流量計
- 固定外夾式超聲波流量計
- 智能液體渦輪流量計
- 插入式電磁流量計
- 分體式電磁流量計
壓力變送器
熱工校驗儀
- 全自動溫度檢定系統
- 便攜式全自動壓力檢定系統
- 全自動壓力檢定系統
- 高精度溫度顯示儀
- 干體式校驗爐
- 溫度檢定爐
- 恒溫水槽
- 恒溫油槽
- 便攜式熱電偶校驗儀
- 便攜式熱電阻校準儀
- 信號過程校驗儀
- 壓力表檢定附件產品

